全国服务热线021-64162222

蝶阀知识阀门首页 > 阀门知识 > 蝶阀知识 >

电动蝶阀厂家 电动烟道蝶阀厂家

[ 2016-08-12 ]
1、电动烟道蝶阀厂家在非工作时间中,阀门关闭,防止大的灰渣进入管道,保护管道生产的安全及可持续进行。本阀采用与阀体相同材料加工成密封圈,其适用温度随阀体选材而定,公称通径:50-2000mm,公称压力≤0.6Mpa,广泛应用于冶金、环保、钢铁厂、电厂等弱腐蚀性烟气系统中。执行器采用精小型电动执行器,质量可靠,整体重量轻,价格为同行业电动通风蝶阀的1/3,是国家建设部自动化流体控制领域重点推荐产品。
电动烟道蝶阀厂家执行器及阀体相关技术参数:

2、精小型电动执行机构技术参数 电 源: AC110、220、380V/DC24 输出力矩: 50N·M~2000N·M 任选功能: 开关型、无源触点型、阀位信号反馈型、智能调节型 动作范围: 0~90°或0~360° 动作时间: 9秒/15秒/30秒/60秒 环境温度: -30°~80° 手动操作: 附带手柄操作 保护装置: 带过载保护及过热保护 防护等级: IP-67(防爆外壳:ExdⅡBT4) 输入信号: 输入信号4-20mA,1-5V,0-10V;输出信号:4-20mA,1-5V,0-10V 

3、电动烟道蝶阀厂家主要技术参数:公称通径 DN(mm) 50~4000 公称压力 PN(Mpa) 0.1 0.25 0.6 试验压力 强度试验 0.15 0.375 0.9 密封试验 ≤1%泄漏量 适用介质 含尘气体、烟气等 驱动形式 手动、蜗轮传动、气动、电动等
 
4、电动烟道蝶阀厂家技术参数
☆ 公称压力:PN0.25
☆ 公称通径:DN200~4500
☆ 设计制造:JB/T8692、GB/T122238
☆ 结构长度:GB/T12221
☆ 法兰端尺寸: GB/T9113、JB/T79、HG/T20592、HG/T20615
☆ 焊接端尺寸:GB/T12224
☆ 阀门的检查和试验:JB/T8692、GB/T13927
☆ 结构特征:分为截流型和调节型,采用垂直板与短结构钢板焊接的新型结构形式,能平稳、精确的调节合理的流量,流量特性近似等百分比,可调范围大,结构紧凑、重量轻、便于安装、流阻小、流通量大,避免高温膨胀的影响,操作轻便,可以多工位安装,不受介质流向影响
☆ 操作方式:手轮、齿轮、电动、气动操作
☆ 壳体材料: Q235-B、20、16MnR、WCB
☆用途:广泛应用于石油、化工、水泥、余热发电、锅炉系统,安装于高温烟气管道上,用于控制管路中的空气、含尘烟气和工业煤气。
 
5、电动烟道蝶阀厂家安装说明:

1. 电动烟道蝶阀安装位置、高度、进出口方向必须符合设计要求,注意介质流动的方向应与阀体所标箭头方向一致,连接应牢固紧密。
2. 电动烟道蝶阀安装前必须进行外观检查,阀门的铭牌应符合现行国家标准《通用阀门标志》GB 12220的规定。对于工作压力大于1.0 MPa 及在主干管上起到切断作用的阀门,安装前应进行强度和严密性能试验,合格后方准使用。强度试验时,试验压力为公称压力的1.5倍,持续时间不少于5min,阀门壳体、填料应无渗漏为合格。严密性试验时,试验压力为公称压力的1.1倍;试验持续的时间符合GB 50243要求
电动烟道蝶阀厂家性能指标:
项目 指标值
基本误差% ±2.5
回差% 2.0
死区% 3.0
始终点偏差% ±2.5
额定行程偏差% +2.5
允许泄漏量1/h 2×10-2×阀额定容量
 
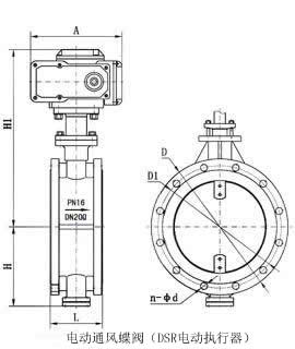
6、电动烟道蝶阀厂家外形及连接尺寸:

 
7、电动烟道蝶阀厂家选择我们的5大理由
1、价格优势:厂家直销,工厂生产直接销售给客户,免去所有流通环节,您再也不必花冤枉钱。
2、时间优势:传统销售中,从工厂到中间商再到客户,供货周期长,时间难以把握,我们可以做到只要不是非标当天可以发货。
3、技术优势:客户有特殊要求可以直接跟生产厂家沟通,有技术问题可以直接交流,由专业技术人员为您量身订做。
4、质量优势:因为没有了中间商对成本的压缩,我们可以直接使用质量最好的配件生产出质量过硬的产品,以保证产品在使用中不出问题。
5、售后优势:传统销售中交易结束后一般经销售不会再理会售后,消费者也联系不到厂家,造成产品难以售后,选择我们产品不光可以得到完善的售后服务,还可以得到专业的技术指导,产品出质保期后还可以得到成本价维修,我们会终身保障产品的质量。
 
 
本文标题:电动蝶阀厂家 电动烟道蝶阀厂家 本文地址:/tech-diefa/1224.html

上一篇:电动蝶阀型号编制 / 下一篇:电动蝶阀的基本特点介绍