阀门知识
阀门首页 > 阀门知识 > 封蝶阀配以电动执行器,可实现远距离控制和自动化操作。电动多层次金属密封蝶阀系列产品,系使用时间长、节能型蝶阀。其结构采用三维编...
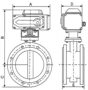
d941X-16c电动蝶阀的型号意义及结构详细图解 d代表蝶阀。 9代表驱动装置是电动。 4代表阀门与管道的连接方式是法兰连接。 数字1有两种说...
D941X不锈钢智能电动蝶阀是采用一体化结构,接入220V或380V电源即可控制运转,也可加入控制模块,输入控制信号(4-20mADC或1-5VDC)进行调节控制。不...
闸阀价格表大全DN600,直径600的闸阀多少钱一套?这是许多工程和设备采购人员在购买闸阀时热切关注的问题。闸阀是一种常用的管道阀门,...
1、如果按照它的驱动方式来划分,它的规格有手动的,也有电动的,包括气动的方式,而不同的驱动方式所带来的作用也是不同的。如果选...
永利3044浏览器Q347F-150LB大口径铸钢球阀的详细说明:铸钢球阀的结构是由上,下轴把球心固定在中心点上,在介质的压力下,...
阀型号规格 1、V型球阀: 含VQ40F、VQ70F、VQ641H、VQ670F、VQ940F以及VQ671H等等。 2、不锈钢球阀: 含Q41F、Q941F、Q641H以及Q941H等等。 3、低温球阀...
以下是球阀尺寸参数的对照表,可以根据需要来选择不同的规格。以上表格中,Q41F、Q347F、Q961F型号适用于一般用途的球阀,Q41H、Q347H、Q9...
闸阀型号参数表 闸阀是一种常用的流体控制装置,广泛应用于水、燃气、石油和化工等领域。以下是常见闸阀型号的参数表: | 型号 | 尺寸...
闸阀型号编制方法 闸阀型号由 7 个单元组成,分别是阀门类型、驱动方式、连接形式、结构型式、密封面材料或衬里材料类型、压力代号或...