电动阀门的接线方法主要包括以下几个步骤:
确定控制器的电源和电压:首先需要明确控制器的电源类型和电压,以确保安全有效地控制电动阀门。
连接阀体:将电动阀与管道正确连接,确保系统的密封性和流畅性。
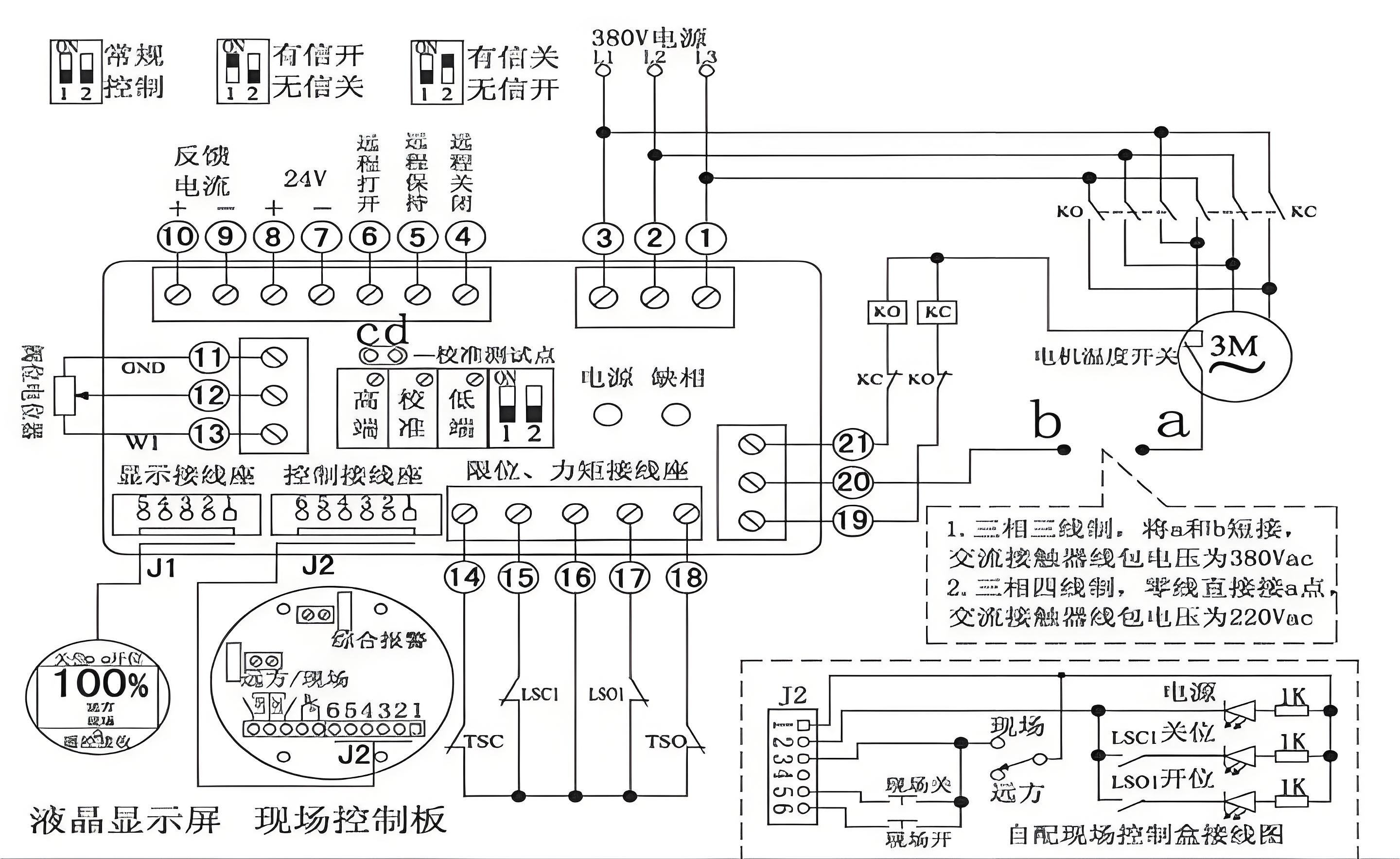
接线:将电动阀的三根电线分别接到控制器对应的接线端子上。这一步骤需要仔细操作,确保每根电线正确连接到控制器。
调试:完成接线后,进行调试以确保控制器和电动阀的电源连接正确,阀门能够按照控制指令正常开启和关闭。

在接线过程中,还需要注意以下几点:
准备工具和材料:准备好必要的工具如螺丝刀、钳子、剪线钳、绝缘胶条以及符合要求的电缆线。
确认电缆与仪表的对接方式:了解电动执行器和仪表的说明书,明确各电缆和端子的功能及对应位置,避免插错或插反。
检查电压和接地:确保接线设备的电压与电动执行器的额定电压匹配,同时检查接地情况,保证设备的安全稳定运行。
连接电源线和信号线:电源线的连接相对简单,而信号线的连接则需遵循控制系统的接线要求,确保信号传输的稳定性和准确性。
收尾工作:接线完成后,对接线口进行绝缘处理,使用绝缘胶条密封接线口,防止设备进水或发生其他安全隐患。
通过上述步骤和注意事项,可以确保电动阀门的正确接线,实现安全高效的操作。 电动阀门的接线方式主要分为交流电源和直流电源两种类型。
交流电源接线:电动阀门可以使用交流电源进行接线,电压等级包括AC110V、AC220V、AC380V。这种接线方式适用于需要较高电压和电流的场合。
直流电源接线:电动阀门也可以使用直流电源进行接线,电压等级包括DC24V、DC12V。直流电源接线适用于对电压和电流要求不高的场合,或者需要精确控制的应用场景。

此外,电动阀门的控制方式还包括有源开关式、无源开关式、电位计型、防爆型、调节型等,这些控制方式的选择取决于具体的应用需求和安全要求。例如,防爆型电动阀门适用于需要防爆的环境,而调节型电动阀门则适用于需要精确调节流量的应用。 接线时,需要确定电动阀门的电源线和控制线,并将电源线和控制线的两端分别插入电动阀门接线端子的相应插口中。电源线通常接在接线端子的“L”和“N”插口,而控制线接在接线端子的“+”和“-”插口。用螺丝刀或扳手固定接线端子,以确保电线连接牢固、不松动。最后,根据操作手册和电动阀门的指示,连接电源和控制器,进行相关的电气测试和调节,确保电动阀门正常运转。
电动阀门的接线方式可以分为多种型号,主要包括有源开关式、无源开关式、电位计型、防爆型、调节型等。 有源开关式:普通开关型带有源灯指示接线图,适用于需要电源供电的电动阀门。 无源开关式:开关型无源触点型带反馈接线图,适用于不需要电源供电的电动阀门。 电位计型:开关型带开度式接线图,适用于需要精确控制阀门开度的应用。 防爆型:适用于需要防爆环境的特殊场合。 调节型:输入输出4-20mA,智能调节型接线图,适用于需要精确调节流量或压力的场合。 此外,根据电源电压的不同,电动阀门执行器可以分为交流(AC110V、AC220V、AC380V)和直流(DC24V、DC12V)两种类型。这些分类旨在满足不同应用场景下的电气连接需求,确保安全、有效地控制阀门的开启和关闭。