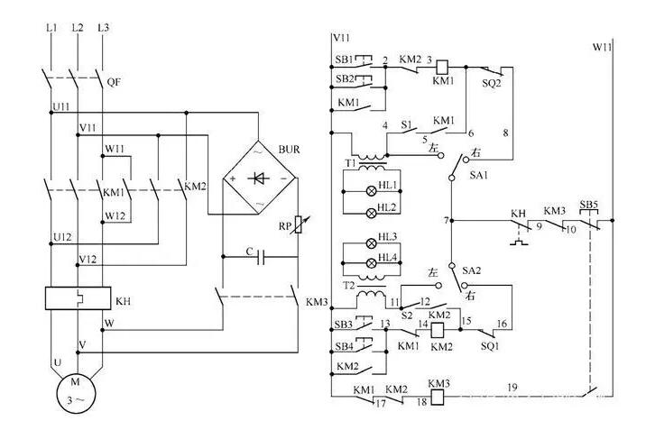
电动阀门的工作原理主要是通过电动执行机构和阀门连接,利用电能作为动力来驱动阀门动作。电动执行机构一般使用电机作为驱动源,通过减速机构、驱动部件等装置,将旋转运动转化为直...执行机构工作原理 电动执行机构是以电动机为驱动源、以直流电流为控制及反馈信号,原理方块图如下图所示。当控制器的输入端有一个信号输入时,此信号与位置信号进行比较,工作原理是,电动机通过减速器驱动传动装置,使得阀杆做旋转运动,从而控制阀板的开启和关闭。控制装置可以通过手动操作、电动操作或者自动化控制等方式来实现对阀门的开启和关闭的...

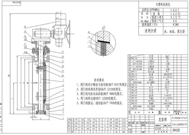
是由电动机带动减速装置,在电信号的作用下,产生直线运动和角度旋转运动。它可以现场操作,也可以远距离操作,可以单台控制,也可以多台集中控制。是工业自动领域体控制系统中的一种执行单元,它是由电执行器与阀门组合而成的,然后通过电机运转来驱动执行器,从而控制阀门运作,本章节主要讲述的是常用的角行程开关式电动阀。是一种可以通过电力控制的阀门,它的工作原理是通过电动机将阀门的开关转动,从而实现管道的开启或关闭。电动阀门的结构组成主要包括电动机、阀体、阀盖、阀杆、密封件...阀门按照种类还可以分为手动阀门和电动阀门。手动的阀门技术我们平时使用的普通阀门,这种阀门的动作力距是比较小的,电动阀门的动作力矩会比较大。是指通过电动装置控制阀门开关的过程。电动阀门工作原理的实现需要阀门电动装置的支持,该装置是阀门的核心组成部分,控制阀门的开关,调节阀门的流量和压力。