蝶阀
阀门首页 > 产品展示 > 蝶阀 > 





电动衬氟蝶阀又开关型和智能型二种,衬氟蝶阀与电动执行机构配套,输入控制信号(4~20mADC或1~5VDC)及单相电源即可控制运转,具有功能强、体积小、轻便宜人、性能可靠、配套简单、流通能力大,特别适合于截至是粘稠、含颗粒、纤维性质的场合。目前该蝶阀广泛应用于食品、环保。轻工、石油、造纸、化工、教学和科研设备、电力等行业的工业自动控制系统中。
1、本阀采用双偏心结构,具有越管越紧的密封功能,密封性能可靠。
2、密封副材料选用不不锈钢和丁腈耐油橡胶配对,使用寿命长。
3、四氟密封即可位于阀体上,也可以位于蝶板上,可适用不同特点的截至,供用户选择。
4、蝶板采用框架结构,强度高,过流面积大,流阻小。
5、整体烤漆、能有效地防止锈蚀且只要更换密封阀座密封材料,就可使用不同介质。
6、本电动蝶阀具有双向密封功能,安装时不受介质流向的控制,也不受空间位置的影响,可在任何方向安装。
7、本阀结构独特,操作灵活,省力,方便。
| 公称通径DN(mm) | 50~500 | 50~500 | |
|---|---|---|---|
| 公称压力PN(MPa) | 0.6 | 1.0 | 1.6 |
| 密封试验(MPa) | 0.66 | 1.1 | 1.76 |
| 强度试验(MPa) | 0.9 | 1.5 | 2.4 |
| 适用温度 | 丁腈橡胶:-40℃~90℃ 氟橡胶:-20℃~200℃ | ||
| 适用介质 | 水、空气、天然气、油品及弱腐蚀性流体 | ||
| 泄漏率 | 符合GB/T13927-92标准 | ||
| 驱动方式 | 电动 | ||
| 可配电动执行器 | JL系列、JLQ系列 | ||
| 零部件 | 材料 |
|---|---|
| 阀体 | WCB、QT450-10、HT200、HT250、1Cr18Ni9 |
| 蝶板 | WCB、QT450-10、HT200、HT250、1Cr18Ni9 |
| 阀轴 | 2Cr13 |
| 密封面 | 四氟 |
| 填料 | 柔性石墨 |
| 制造标准 | GB/T122387-89 |
|---|---|
| 法兰标准 | GB9113-2000、GB17241.6-1998 |
| 结构长度标准 | GB12221-89 |
| 检验标准 | GB/T13927-92 |
一、①电动衬氟蝶阀产品名称与型号②电动衬氟蝶阀口径③是否带附件以便我们的为您正确选型。
二、若已经由设计单位选定上海湖泉的电动衬氟蝶阀型号,请按电动衬氟蝶阀型号直接向我司销售部订购。
三、当使用的场合非常重要或环境比较复杂时,请您尽量提供设计图纸和详细参数,由我们的湖泉阀门专家为您审核把关。
感谢您访问我们的网站【/】,如有任何疑问.您可以致电给我们,我们一定会尽心尽力为您提供优质的服务
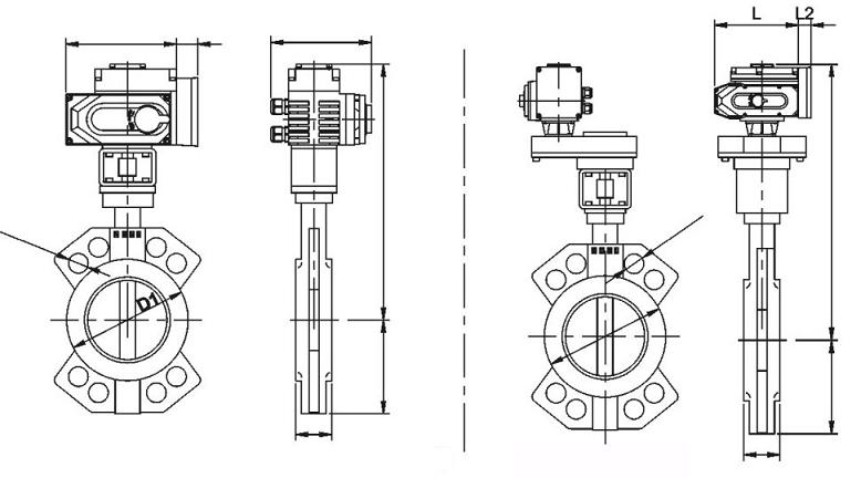
| 通径 | L | L2 | B | B1 | B2 | H1 | H2 | D2 | Z-ΦD |
执行器机构选配 (常温常压) |
|
|---|---|---|---|---|---|---|---|---|---|---|---|
| 50 | 161 | 40 | 145 | 83.5 | 42.6 | 70 | 297 | 125 | 4-18 | JL-005 | JLQ-005 |
| 65 | 161 | 40 | 145 | 83.5 | 45.6 | 80 | 310 | 145 | 4-18 | JL-005 | JLQ-005 |
| 80 | 161 | 40 | 163 | 75 | 45.6 | 92 | 331 | 160 | 8-18 | JL-008 | JLQ-008 |
| 100 | 188 | 40 | 163 | 75 | 51.6 | 107 | 348 | 180 | 8-18 | JL-010 | JLQ-010 |
| 125 | 188 | 40 | 211 | 92.5 | 55.6 | 121 | 428 | 210 | 8-18 | JL-015 | JLQ-015 |
| 150 | 268 | 40 | 211 | 92.5 | 55.6 | 134 | 447 | 240 | 8-22 | JL-020 | JLQ-020 |
| 200 | 268 | 40 | 211 | 92.5 | 59.6 | 170 | 481 | 295 | 8-22 | JL-040 | JLQ-050 |
| 250 | 268 | 40 | 211 | 92.5 | 67.6 | 208 | 520 | 355 | 12-26 | JL-060 | JLQ-060 |
| 300 | 268 | 40 | 211 | 92.5 | 77.6 | 240 | 548 | 410 | 12-26 | JL-080 | JLQ-080 |
| 350 | 268 | 40 | 211 | 92.5 | 79 | 265 | 523 | 470 | 16-26 | JL-100 | JLQ-120 |
| 400 | 268 | 40 | 211 | 92.5 | 105 | 297 | 615 | 525 | 16-30 | JL-200 | JLQ-200 |
| 450 | 268 | 40 | 250 | 119 | 112 | 331 | 819 | 585 | 20-30 | JL-300 | JLQ-300 |
| 500 | 268 | 40 | 250 | 119 | 129 | 361 | 847 | 650 | 20-33 | JL-400 |
JLQ-400 |

上一篇:D941X/D971X智能电动调节蝶阀 / 下一篇:电动蝶阀多少钱dn80