永利集团(3044-VIP认证)浏览器-环球百科
全国服务热线
021-64162222
网站首页
走进湖泉
产品展示
新闻资讯
阀门知识
人才招聘
服务中心
联系我们
公司介绍
总裁致辞
企业文化
厂区风貌
组织机构
荣誉证书
阀门欣赏
闸阀
蝶阀
球阀
截止阀
调节阀
隔膜阀
电磁阀
止回阀
切断阀
阀门配件
电动执行器
阀门控制箱
水力控制阀
企业动态
行业动态
闸阀知识
蝶阀知识
球阀知识
截止阀知识
调节阀知识
执行器知识
电磁阀知识
控制箱知识
止回阀知识
隔膜阀知识
安全阀知识
水力控制阀知识
人才招聘
客户案例
客户留言
销售网络
服务承诺
订货流程
保养常识
联系方式
交通地图
开票信息
网站首页
走进湖泉
产品展示
新闻资讯
阀门知识
人才招聘
服务中心
联系我们
产品展示
Products show
闸阀
蝶阀
球阀
截止阀
调节阀
隔膜阀
电磁阀
止回阀
切断阀
阀门配件
电动执行器
阀门控制箱
水力控制阀
电动执行器
阀门首页
>
产品展示
>
电动执行器
>
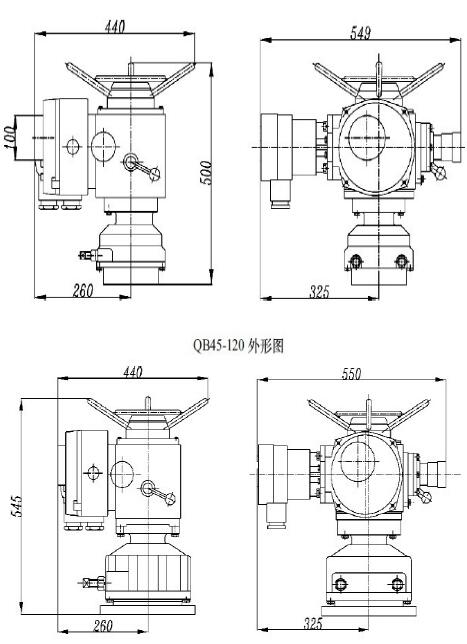
产品名称:qb矿用隔爆整体型阀门电动装置
[ 2024-04-18 ]
订购热线:
021-64162222
订购传真:
021-62677999
质量稳定:
实行全过程质量监控,细致入微全方位检测!
价格合理:
高效内部成本控制,减少了开支,让利于客户
交货快捷:
先进生产流水线,充足的备货,缩短了交货期!
产品介绍
规格尺寸
结构图片
一、qb矿用隔爆整体型阀门电动装置介绍
永利3044浏览器QB系列矿用隔爆型阀门电动装置是针对煤矿使用条件而专门设计和制造的。适用阀板做90度回转的阀门,如蝶阀、风门等。与KXBC矿用隔爆型阀门电动装置控制箱相互配套后,可与DCS系统衔接,以实现自动化控制。
上一篇:
矿用隔爆型阀门电动装置(煤矿井下自动隔爆装置厂家)
/ 下一篇:
矿用隔爆型部分回转阀门电动装置
阀门资讯
煤矿本安型电动阀门现货生产厂家
大口径阀门闸阀厂家,大口径阀门生产厂家
不锈钢三通四通球阀厂家直销,不锈钢四
十堰不锈钢三通球阀厂家供货,三通球阀
阀门知识
电动法兰闸阀的优点和缺点
电动截止阀的结构特点及安装要求
电子式电动调节阀选型不可忽视的细节
平板闸阀的分类及特点是什么
阀门产品
电动煤气蝶阀
电动法兰蝶阀d941x-16p
z90推力型阀门电动装置
DN400电动蝶阀价格
z941w-25c dn300上海不锈钢电动闸阀型
MAZ941H-40c dn200 煤安证的矿用防爆电
D943X法兰式电动软密封蝶阀
电动弹性座封闸阀Z945X-10/16Q DN40
气动暗杆式刀型闸阀
矿用防爆电动截止阀