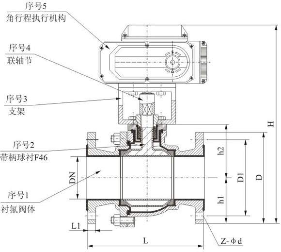
防爆球阀
阀门首页 > 产品展示 > 球阀 > 防爆球阀 > 





| 设计与制造 | GB12237-89、API608、API 6D、JPI 7S-48、BS5351、DIN3357 |
| 法兰尺寸 | JB/T74~90、GB9112~9131、HGJ44~76、SH3406、ANSI B16.5、JIS B2212~2214、DIN2543 |
| 结构长度 | GB12221-89、ANSI B16.10、JIS B2002、NF E29-305、DIN3202 |
| 检验与试验 | JB/T 9092、API 598、GB/T13927 |
| 执行器类别 | 执行器参数 | 执行器参数 |
| 电源电压 | 标准:220V AC单相 可选:110V AC 单相、380/440V AC 三相、24V/110V/220V DC | |
| 输出力矩 | 50N·M~2000N·M | 50N·M~4000N·M |
| 动作范围 | 0~90° 0~360° | 0~90°、0°~270°可选 |
| 控制方式 | 开关到位灯(开关两位控制)、无源触点信号、1/5K电位计、智能调节(4~20mA模拟量信号控制) | |
| 动作时间 | 15秒/30秒/60秒 | 18S~112S |
| 保护装置 | 过热保护 | 内置过热保护、过载保护 |
| 环境温度 | -30°~60° | -20℃~+70℃ |
| 手动操作 | 同附带手柄操作 | 机械离合机构,配手轮操作 |
| 机械限位 | 电气、机械二重限位 | 电气、机械二重限位 |
| 防护等级 | IP65 | IP65、IP67、可定制IP68 |
| 防爆等级 | 无防爆 | ExdⅡ BT6,ExdⅡ CT5 |
| 位置测量 | 可选装开关或电位计 | 电位计、比例控制单元 |
| 驱动电机 | 8W/E | 鼠笼式异步电机 |
| 进线接口 | 2个 G1/2″M18*1.5 | 2个 PF 3/4” |
| 壳体材料 | 铝合金 | 铝合金 |
| 外涂层 | 干粉,环氧聚酯,具有超强防腐功能 | |
| 执行器类别 | 执行器参数 | 执行器参数 |
| 电源电压 | 标准:220V AC单相 可选:110V AC 单相、380/440V AC 三相、24V/110V/220V DC | |
| 输出力矩 | 50N·M~2000N·M | 50N·M~4000N·M |
| 动作范围 | 0~90° 0~360° | 0~90°、0°~270°可选 |
| 控制方式 | 开关到位灯(开关两位控制)、无源触点信号、1/5K电位计、智能调节(4~20mA模拟量信号控制) | |
| 动作时间 | 15秒/30秒/60秒 | 18S~112S |
| 保护装置 | 过热保护 | 内置过热保护、过载保护 |
| 环境温度 | -30°~60° | -20℃~+70℃ |
| 手动操作 | 同附带手柄操作 | 机械离合机构,配手轮操作 |
| 机械限位 | 电气、机械二重限位 | 电气、机械二重限位 |
| 防护等级 | IP65 | IP65、IP67、可定制IP68 |
| 防爆等级 | 无防爆 | ExdⅡ BT6,ExdⅡ CT5 |
| 位置测量 | 可选装开关或电位计 | 电位计、比例控制单元 |
| 驱动电机 | 8W/E | 鼠笼式异步电机 |
| 进线接口 | 2个 G1/2″M18*1.5 | 2个 PF 3/4” |
| 壳体材料 | 铝合金 | 铝合金 |
| 外涂层 | 干粉,环氧聚酯,具有超强防腐功能 | |


上一篇:矿用隔爆兼本安型阀门电动装置 / 下一篇:矿用本安型防爆电动球阀